Motore Kohler KD15 440S
Motore diesel Kohler serie KD15 modello 440S
Il motore diesel Kohler KD15 440S è un motore a quattro tempi, monocilindrico, raffreddato ad aria. Differisce dal KDW 440 per il fatto di essere un motore sinistro, ovvero nello specifico, l’albero motore ruota in senso antiorario. La cilindrata è di 441 cm³ mentre la potenza dichiarata di 6,8 kW. Per caratteristiche peculiari quali, versatilità, compattezza e affidabilità, risulta essere un motore che trova ampio utilizzo in diversi campi applicativi, sia agricoli che industriali. Ad esempio montato come motore per: motozappa, motocoltivatore, taglia erba, pompa acqua per irrigazione, betoniera, mini dumper, rullo compattatore, piastra vibrante, taglia asfalto, traccialinee, pompa acqua autoadescante, compressore d’aria, gruppo elettrogeno, saldatrice, motoscopa, piattaforma aerea, idropulitrice, pompa antincendio.
Manuale Uso e Manutenzione Kohler KD 440 s Manuale Officina Kohler KD 440 s (EN)
-
Applicazioni principali
Motozappa
Motocoltivatore
Tosaerba
Pompa acqua (Irrigazione)
Betoniera per calcestruzzo
Minidumper
Rullo compattatore
Piastra vibrante
Tagliapiastrelle
Line Striper
Pompa acqua autoadescante
Compressore d'aria
Gruppo elettrogeno
Saldatore
Spazzatrice
Piattaforma aerea
Compressore acqua ad alta pressione
Pompa antincendioVantaggi
Bassa rumorosità
Densità ad alta potenza
Basso peso
Basso consumo di carburante
Basso consumo di olio
Una gamma completa di accessori
-
Motore diesel 4 tempi raffreddato ad aria
Presa di forza conica sull'albero motore
Rotazione antioraria
Lubrificazione forzata con pompa dell'olio
Regolatore di massa centrifugo
Filtro olio a flusso totale incorporato
Soffio d'olio con dispositivo di sicurezza
Dispositivo automatico per l'avviamento di carburante extra
Sistema di alimentazione auto-sanguinante
Regolatore di coppia
Rilascio automatico della compressione
Basamento in alluminio pressofuso con rivestimento interno in ghisa integrale
Testata in alluminio
Piedini rigidi integrati
Punterie idraulicheCilindri 1 Alesaggio (mm) 86 Corsa (mm) 76 Cilindrata (cm3) 441 Tipo d’iniezione DI Rapporto di compressione 20.5:1
-

Conformità normativa emissioni - Potenza (kW/HP)*curve potenza N (80/1269/CEE)ISO 1585 7.3/10.0 NB ISO 3046 IFN 6.8/9.2 NA ISO 3046 ICXN 6.2/8.4 Coppia massima (Nm@giri/min) 22.5@2100 Regime min. a vuoto (giri/min) 1150
-
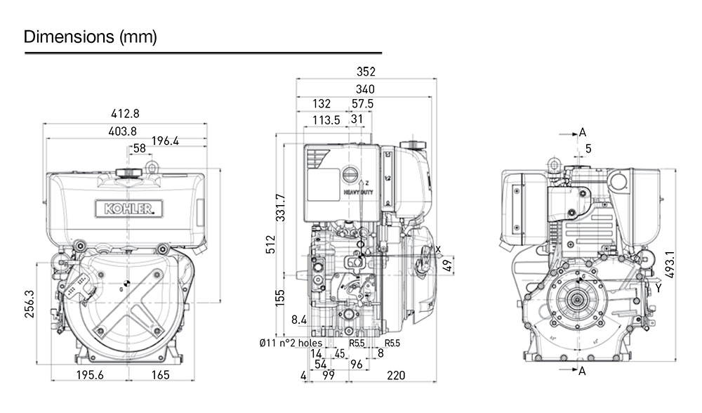
A × L × P (ventola esclusa) (mm) 493.1 × 412.8 × 352 Peso a secco (kg) 45 Lato manutenzione – posizione lato unico Temperatura ambiente d’utilizzo (°C) -10° a +50° Massima inclinazione ammissibile
(intermittente - 30 min) (gradi)25° Massima inclinazione ammissibile
(tempo massimo -1min) (gradi)35° Portata aria combustione @3600 l/min 640 Portata aria raffreddamento @3600 (l/min) 5500 
-
Capacità serbatoio (l) 4.3 Capacità olio lubrificante (l) 1.2 Consumo olio (kg/h) 0.0032 Intervallo sostituzione olio (ore) 250 Intervallo sostituzione filtro olio (ore) 500 Intervallo sostituzione filtro aria a secco 500 Intervallo registrazione gioco valvole (ore) 500 Lubrificante SAE 5W 40 API SERVICE CF