Motore Kohler CH440
Motore benzina Kohler serie Command PRO Small Horizontal modello CH440
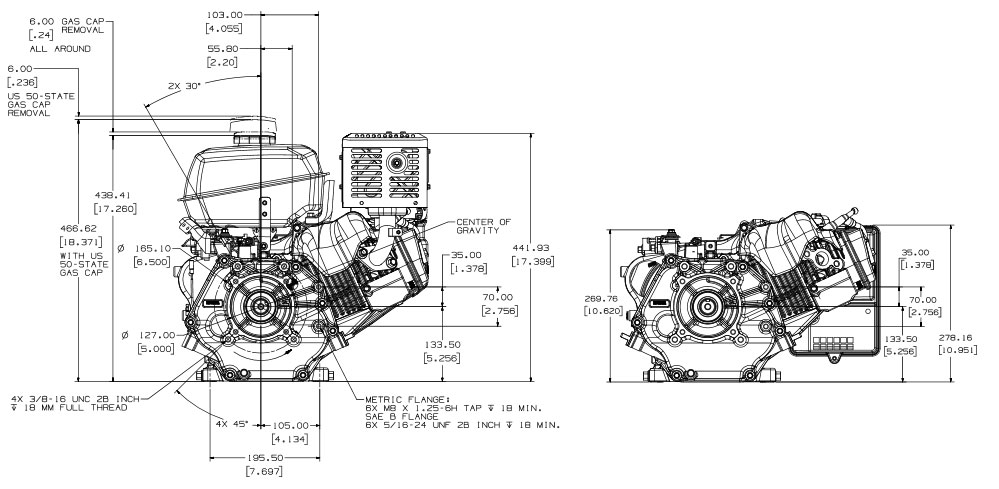
Il Kohler CH440 è un motore a benzina progettato con valvole in testata, rivestimento interno in ghisa e basamento in alluminio. È un motore monocilindrico con albero motore orizzontale che sviluppa una potenza massima di 3.5 kW. Come tutti i motori benzina Kohler Command PRO Small Horizontal, il CH440 impiega la tecnologia Quad-Clean™: innovativo sistema di filtraggio dell’aria ad andamento ciclonico che garantisce le migliori prestazioni in ogni condizione metereologica. I campi di applicazione per uso professionale sono molteplici, trovando particolare successo come motore per motozappa e gruppo elettrogeno.
Vai al Catalogo Motori Kohler
Manuale di Servizio Kohler CH 440 (EN) Manuale Officina Kohler CH 440 (EN)
-
Monocilindrico
Valvole in testa
Raffreddamento ad aria
Benzina
Asse orizzontale
Testata in alluminio
Carter con camicia del cilindro in ghisa
Lubrificazione a schizzoAlesaggio a (mm) 89 Corsa a (mm) 69 Dislocamento (cc) 429 Rapporto di compressione 8:1
-


Potenza Lorda @3000 rpm in Cv 9.6 Potenza Lorda @4000 rpm in Cv 10.5 Coppia massima Nm @ rpm 30.8 @ 2800 rpm
-
Dimensioni A x L x P (mm) 411 x 452 x 442 Peso a secco (kg) 33 Capacità Coppa Olio (L) 1.3 Capacità serbatoio Carburante (L) 7.4 Albero Motorore Altezza (mm) 133.5 

