Motore Kohler CH395
Motore benzina Kohler serie Command PRO Small Hirizontal modello CH395
Il modello CH395 della Kohler Engines è un motore a benzina da 9.5 CV cono 23, che impiega, come tutti i motori serie Command PRO Small Horizont, l’innovativa tecnologia di filtraggio dell’aria Quad-Clean™. Grazie all’andamento ciclonico del flusso d’aria, le migliori prestazioni restano garantite a prescindere dalle condizioni climatiche in cui si opera. Robustezza e solidità sono garantite invece dal basamento in alluminio e dai rivestimenti interni in ghisa. Il CH395 è un motore monocilindrico con albero orizzontale, progettato con valvole in testata, tra i più affidabili di categoria. Trova generalmente applicazione in ambito agricolo come motore per motozappa o come motore per gruppo elettrogeno.
Vai al Catalogo Motori Kohler
Manuale di Servizio Kohler CH 395 (EN) Manuale Officina Kohler CH 395 (EN)
-
Monocilindrico
Valvole in testa
Raffreddamento ad aria
Benzina
Asse orizzontale
Testata in alluminio
Carter con camicia del cilindro in ghisa
Lubrificazione a schizzoAlesaggio a (mm) 78 Corsa a (mm) 58 Dislocamento (cc) 277 Rapporto di compressione 8.5:1
-


Potenza Lorda @3000 rpm in Cv 7.9 Potenza Lorda @4000 rpm in Cv 9.5 Coppia massima Nm @ rpm 18.8 @ 2800 rpm
-
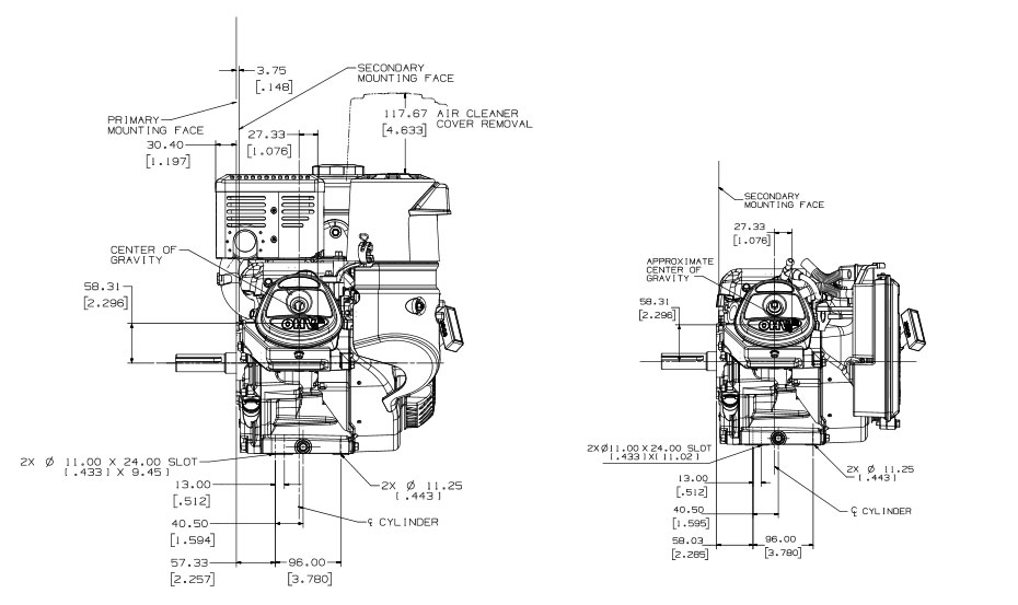
Dimensioni A x L x P (mm) 403 x 428 x 424 Peso a secco (kg) 27.9 Capacità Coppa Olio (L) 1.3 Capacità serbatoio Carburante (L) 7.4 Albero Motorore Altezza (mm) 133.5 

