Contattaci su Whatsapp
Motore Lombardini 15LD350
Motore Lombardini 15LD350
Motore Lombardini 15LD350
Motore Lombardini 15LD350
Motore Lombardini 15LD350
Motore Lombardini 15LD350
Motore Lombardini 15LD350
Motore Lombardini 15LD350
Motore Lombardini 15LD350
Motore Lombardini 15LD350
Motore Lombardini 15LD350
Motore Lombardini 15LD350

Motore Lombardini 15LD 350

Ultimi articoli in magazzino
1.294,26 €
Tasse incluse

Motore Diesel Lombardini 15 LD 350

Il Motore Lombardini 15LD350 è un motore monocilindro a 4 tempi, molto versatile, che risponde a diverse esigenze ed applicabile, ad esempio, a:

Motoagricola, Motocoltivatore, Motofalce, Motozappa, Rasaerba, Betoniera, Dumper, Mini dumper, Mini escavatore, Motocompressore, Piastra vibrante, Rullo compattatore, Taglia asfalto, Generatore, Gruppo frigo, Saldatrice, Piattaforma aerea.

 

Ricambi motore Lombardini 15LD 350

Manuale Uso e Manutenzione 15LD 350 Manuale Officina 15LD 350

 
  • Motore a 4 tempi con cilindro in linea
    Presa di moto conica sull’albero motore
    Rotazione antioraria
    Lubrificazione forzata con pompa a lobi
    Regolatore di velocità centrifugo a masse
    Filtro olio interno a passaggio totale
    Ricircolo dello sfiato olio con dispositivo di sicurezza
    Supplemento automatico di combustibile per l'avviamento
    Spurgo combustibile automatico
    Correttore di coppia
    Decompressione automatica
    Basamento in alluminio pressofuso con canna in ghisa integrale
    Testa in alluminio
    Piedi di fissaggio integrati
    Punterie idrauliche
    Cilindri 1
    Alesaggio (mm) 82
    Corsa (mm) 66
    Cilindrata (cm3) 349
    Tipo d’iniezione DI
    Rapporto di compressione 20.3:1
  • Curve di potenza motore Lombardini 15LD 350
    Conformità normativa emissioni ECE R 24 EPA TIER 4
    Potenza (kW/HP)*curve potenza
    N (80/1269/CEE)ISO 1585 5.5/7.5 -
    NB ISO 3046 IFN 5.1/7.0 4.6/6.3
    NA ISO 3046 ICXN 4.7/6.4 4.1/5.6
    Coppia massima (Nm@giri/min) 10,6@2400 12,2@3600
    Regime min. a vuoto (giri/min) 950 ÷1000
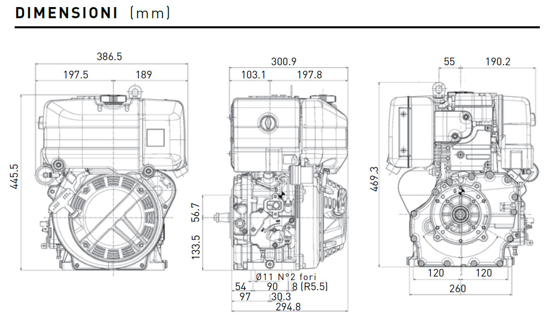
  • A × L × P (ventola esclusa) (mm) 445.5x386.5x300.9
    Peso a secco (kg) 33
    Lato manutenzione – posizione Su lato unico
    Temperatura ambiente d’utilizzo (°C) -10° +50°
    Massima inclinazione ammissibile
    (intermittente - 30 min) (gradi)
    25°
    Massima inclinazione ammissibile
    (tempo massimo -1min) (gradi)
    35°
    Portata aria combustione @3600 l/min 540
    Portata aria raffreddamento @3600 (l/min) 5000
    Dimensioni motore Lombardini 15LD 350
  • Capacità serbatoio (l) 4.3
    Capacità olio lubrificante (l) 1.2
    Consumo olio (kg/h) 0.00032
    Intervallo sostituzione olio (ore) 250
    Intervallo sostituzione filtro olio (ore) 500
    Intervallo sostituzione filtro aria a secco 250
    Intervallo registrazione gioco valvole (ore) 500
    Lubrificante Olio SAE 5W 40
  • Freq. Giri/min Modello Motore Potenza Meccanica Potenza elettrica intermittente Potenza elettrica continua Flangiature
    Stand-by KW-HP Prime KW-HP Kva kw kva kw cono ø
    50 Hz 3000 15LD 350 4.7 - 6.3 4.2 - 5.7 4.6 3.7 4.3 3.5 23
    60 Hz 3600 15LD 350 5.1 - 7.0 4.6 - 6.3 5.1 4.1 4.7 3.8 23

1 Articolo
No reviews

16 altri prodotti nella stessa categoria:

Prodotti visti

Product added to compare.

Delta Service utilizza cookie funzionali ed analitici. Cliccando su "Accetta", confermi di aver letto la nostra Informativa sui Cookie