Your cart
Non ci sono più articoli nel tuo carrello
Motori Lombardini
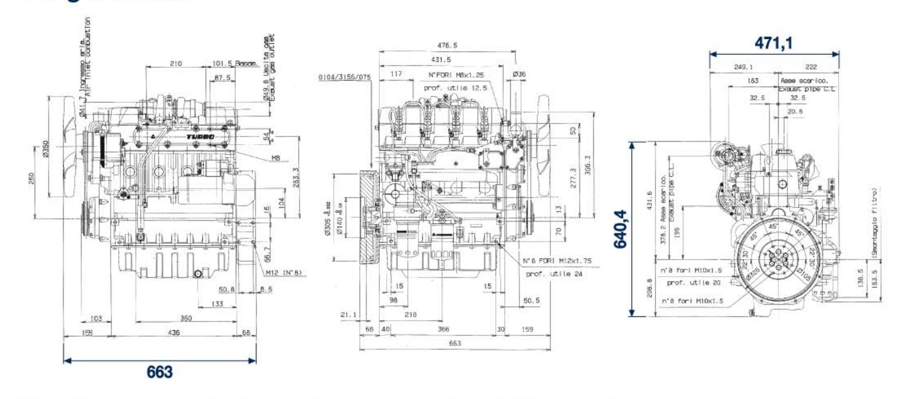
Motore Lombardini LDW 1003
3.509,84 €
Motore Diesel Lombardini LDW 1003
Il Motore Lombardini LDW1003 raffreddato a liquido appartiene alla tecnologia Focs.
Motore leggero e compatto dai bassi consumi.
Potenza 27 hp.
E' utilizzato in diverse applicazioni tra cui:
Motoagricola, Betoniera, Dumper, Mini dumper, Mini escavatore, Motocompressore, Rullo compattatore, Trattore 4x4, Generatore,...




