Your cart
Non ci sono più articoli nel tuo carrello
Motori Lombardini Marine
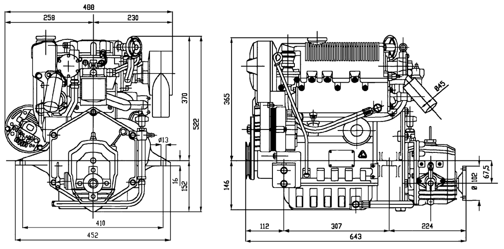
Motore marino Lombardini Kohler KDI 1903 TCR M
11.000,00 €
Motore entrobordo diesel Lombardini Marine - Kohler KDI 1903 TCR M
Il KDI 1903TCR M è un motore diesel 3 cilindri in linea. Compatto e robusto, 54 hp in 1903 cm3 lo rendono facilmente istallabile anche su piccole imbarcazioni, la coppia massime 210 nm a soli 1500 rpm rendono questo motore versatile e pronto nella risposta. Adatto anche ad imbarcazioni...

